迈得医疗获得实用新型专利授权:“一种针管硅化设备”
作者:小微
发表于:2025年05月17日
浏览量:68436

图片来源于网络,如有侵权,请联系删除
证券之星消息,根据天眼查APP数据显示迈得医疗(688310)新获得一项实用新型专利授权,专利名为“一种针管硅化设备”,专利申请号为CN202420648383.2,授权日为2025年5月16日。
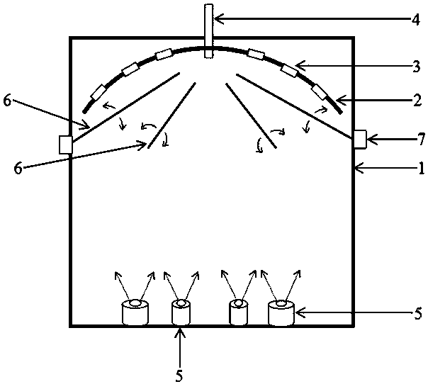
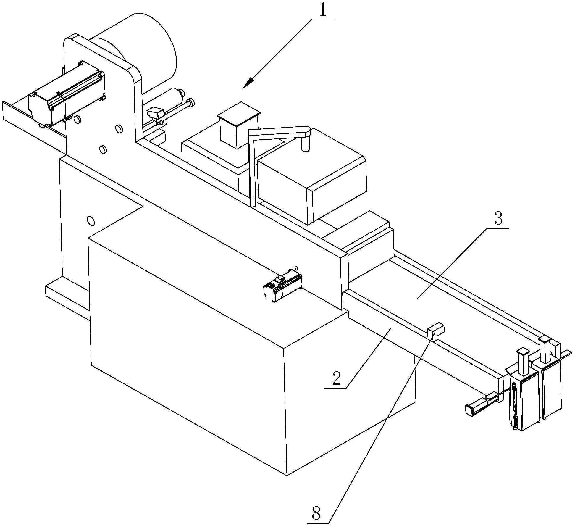
专利摘要:本实用新型提供了一种针管硅化设备,涉及医疗器械的技术领域,包括支撑平台、移送支架和水平滑轨,两个移送机构沿水平滑轨延伸方向设置,两个硅油盛放件沿水平滑轨延伸方向分别设置于物料的两侧,移送机构包括夹持组件和升降组件,升降组件的一端滑动设置于水平滑轨,升降组件的另一端与夹持组件连接;通过在水平滑轨上设置两个移送机构并沿水平方向运动,可以使一个移送机构通过带动针管伸入硅油盛放件中硅化时,另一个移送机构通过夹持组件和升降组件夹持针管物料,进而保证两组针管的同时进行硅化或移送,以提升单位之间内针管硅化的效率,解决了现有技术中针管硅化效率较低,难以适应大规模针管生产的技术问题,提高了针管硅化生产效率。

图片来源于网络,如有侵权,请联系删除
今年以来迈得医疗新获得专利授权66个,较去年同期增加了288.24%。结合公司2024年年报财务数据,2024年公司在研发方面投入了4041.19万元,同比增21.81%。

图片来源于网络,如有侵权,请联系删除
数据来源:天眼查APP
以上内容为证券之星据公开信息整理,由AI算法生成(网信算备310104345710301240019号),不构成投资建议。
