京东方A获得发明专利授权:“一种显示基板、制作方法以及显示装置”
作者:小微
发表于:2025年07月26日
浏览量:49031

图片来源于网络,如有侵权,请联系删除
证券之星消息,根据天眼查APP数据显示京东方A(000725)新获得一项发明专利授权,专利名为“一种显示基板、制作方法以及显示装置”,专利申请号为CN202210298542.6,授权日为2025年7月25日。
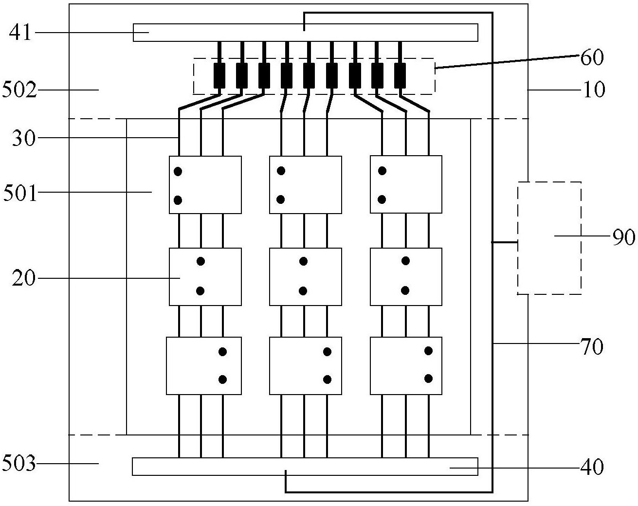
专利摘要:本发明公开了一种显示基板、制作方法以及显示装置。其中一实施例的显示基板,包括显示区以及围绕所述显示区的阴极搭接区,所述显示基板还包括:设置在所述显示基板的衬底上的围绕所述显示区的第一阻隔区,其中,所述阴极搭接区在所述衬底的投影覆盖所述第一阻隔区在所述衬底的投影。本实施例通过将第一阻隔区和阴极搭接区形成重叠设置,在显示基板的非显示区中既形成阴极搭接区,又形成第一阻隔区,在确保显示基板的阴极搭接区的搭接功能正常实现有效显示的基础上,还能够减小显示基板的边缘尺寸,从而实现窄边框设计,具有广泛的应用前景。
今年以来京东方A新获得专利授权2243个,较去年同期增加了1.04%。结合公司2024年年报财务数据,2024年公司在研发方面投入了131.23亿元,同比增15.94%。
数据来源:天眼查APP
以上内容为证券之星据公开信息整理,由AI算法生成(网信算备310104345710301240019号),不构成投资建议。
