中国石化获得发明专利授权:“粉煤流化催化气化的装置及方法”
作者:小微
发表于:2025年07月26日
浏览量:49309

图片来源于网络,如有侵权,请联系删除
证券之星消息,根据天眼查APP数据显示中国石化(600028)新获得一项发明专利授权,专利名为“粉煤流化催化气化的装置及方法”,专利申请号为CN201910905967.7,授权日为2025年7月25日。
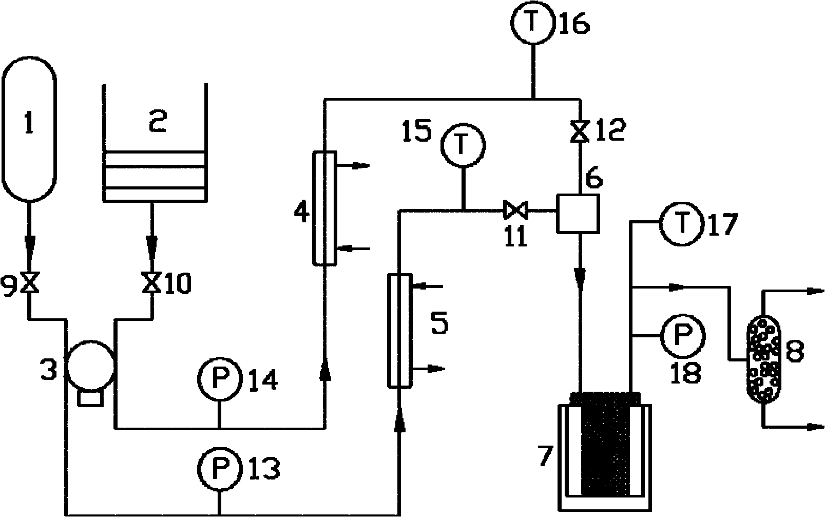
专利摘要:本发明公开了一种粉煤流化催化气化的装置,包括:给料机;快速床热解炉,其通过进料斜管与给料机相连;流化床气化炉,其与快速床热解炉相连;快速床气化炉,其下部入口与流化床气化炉的上部出口相连;流化床燃烧室,其上部入口与流化床气化炉的下部出口相连;细粉沉降/汽提器,其通过气化斜管与快速床热解炉相连。本发明还公开了一种粉煤流化催化气化的方法。本发明具有碳转化率高、气化强度高、粉煤利用率高、气化煤种适应性广、能量利用合理以及装置运行稳定、高效的特点。

图片来源于网络,如有侵权,请联系删除
今年以来中国石化新获得专利授权1847个,较去年同期减少了45.39%。结合公司2024年年报财务数据,2024年公司在研发方面投入了152.15亿元,同比增8.92%。
通过天眼查大数据分析,中国石油化工股份有限公司共对外投资了263家企业,参与招投标项目15584次;财产线索方面有商标信息106条,专利信息88707条,著作权信息1164条;此外企业还拥有行政许可40个。
数据来源:天眼查APP
以上内容为证券之星据公开信息整理,由AI算法生成(网信算备310104345710301240019号),不构成投资建议。
