格力电器获得发明专利授权:“一种遥控器目标操控对象的确定方法及电子设备”
作者:小微
发表于:2025年07月23日
浏览量:67688

图片来源于网络,如有侵权,请联系删除
证券之星消息,根据天眼查APP数据显示格力电器(000651)新获得一项发明专利授权,专利名为“一种遥控器目标操控对象的确定方法及电子设备”,专利申请号为CN202211686259.7,授权日为2025年7月22日。
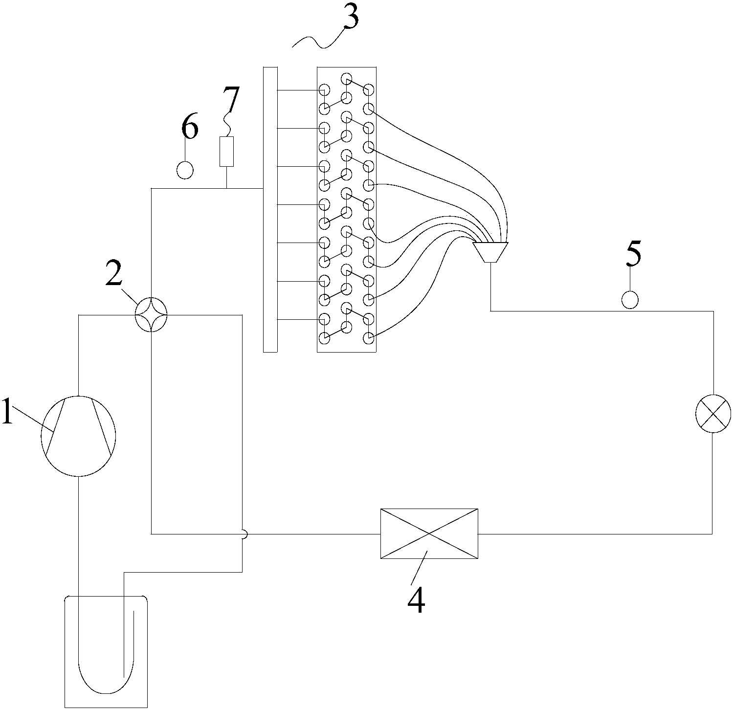
专利摘要:本发明提供一种遥控器目标操控对象的确定方法及电子设备,该方法包括:获取到遥控器的指向方向;获取到多个设备的位置;基于所述遥控器的指向方向以及多个设备的位置从所述多个设备中确定目标操控对象。解决了现有技术中,在室内电器数量较多,分布较为密集的情况下采用遥控器控制电器容易对室内的多个电器出现误操作,导致遥控效率低的技术问题。

图片来源于网络,如有侵权,请联系删除
今年以来格力电器新获得专利授权3725个,较去年同期减少了8.32%。结合公司2024年年报财务数据,2024年公司在研发方面投入了69.04亿元,同比增2.1%。
通过天眼查大数据分析,珠海格力电器股份有限公司共对外投资了101家企业,参与招投标项目27988次;财产线索方面有商标信息8135条,专利信息115189条,著作权信息297条;此外企业还拥有行政许可827个。
数据来源:天眼查APP
以上内容为证券之星据公开信息整理,由AI算法生成(网信算备310104345710301240019号),不构成投资建议。
