海尔智家获得发明专利授权:“一种抽屉式洗碗机”
作者:小微
发表于:2025年07月19日
浏览量:64921

图片来源于网络,如有侵权,请联系删除
证券之星消息,根据天眼查APP数据显示海尔智家(600690)新获得一项发明专利授权,专利名为“一种抽屉式洗碗机”,专利申请号为CN201911179344.2,授权日为2025年7月18日。
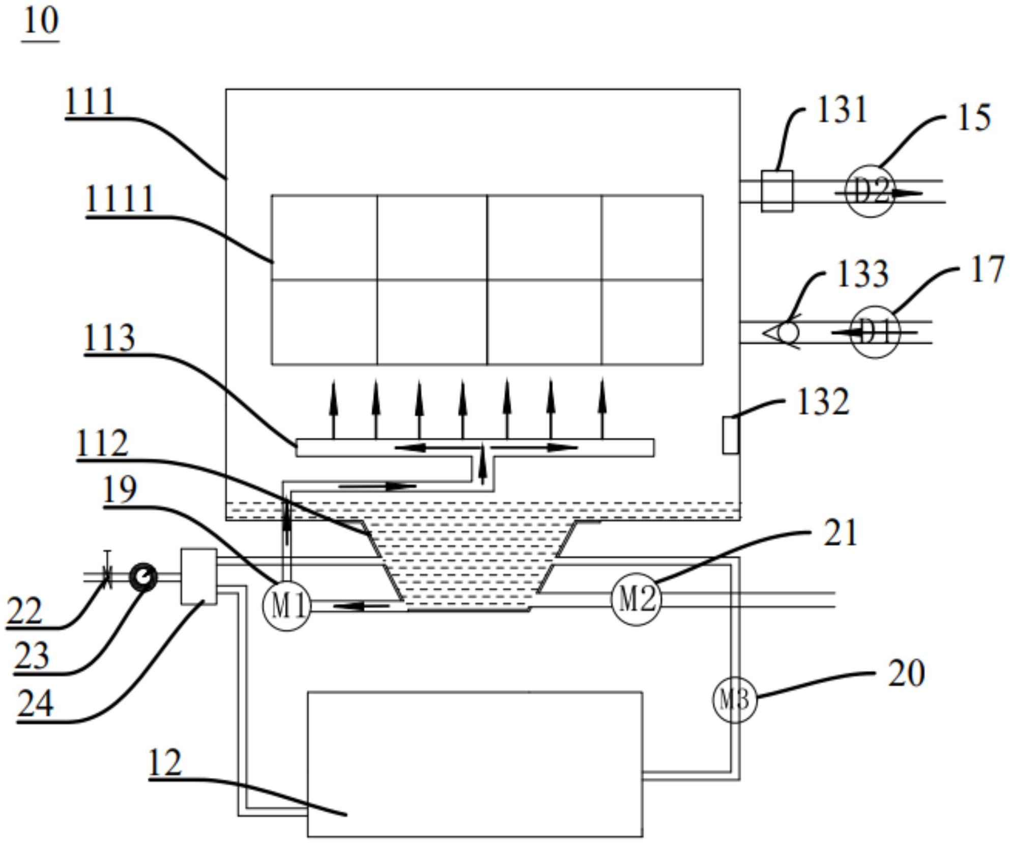
专利摘要:本发明公开了一种抽屉式洗碗机,包括:壳体、可推入\拉出壳体内的抽屉、设置在抽屉顶部开口上方的密封盖,还包括:偏心机构,可转动地设置在壳体内,并与所述密封盖连接;触发机构,设置在抽屉上,在推拉抽屉的过程中,所述触发机构与所述偏心机构相配合,驱动偏心机构偏心运动,带动所述密封盖上下运动,打开和密封所述抽屉的开口。本发明提供的洗碗机,在推拉抽屉的过程中,触发机构与所述偏心机构止抵配合,驱动偏心机构转动,密封盖会随偏心机构的转动上下运动,自动密封\脱离抽屉的顶部开口,实现了手动机械式的浮动密封,不仅降低了成本,且安全性更高,结构设计简单合理。

图片来源于网络,如有侵权,请联系删除
今年以来海尔智家新获得专利授权3081个,较去年同期减少了18.28%。结合公司2024年年报财务数据,2024年公司在研发方面投入了107.4亿元,同比增3.47%。

图片来源于网络,如有侵权,请联系删除
通过天眼查大数据分析,海尔智家股份有限公司共对外投资了58家企业,参与招投标项目1691次;财产线索方面有商标信息357条,专利信息63029条,著作权信息53条;此外企业还拥有行政许可10个。
数据来源:天眼查APP
以上内容为证券之星据公开信息整理,由AI算法生成(网信算备310104345710301240019号),不构成投资建议。
