山河智能获得发明专利授权:“一种液压补油回路系统”
作者:小微
发表于:2025年06月28日
浏览量:66017

图片来源于网络,如有侵权,请联系删除
证券之星消息,根据天眼查APP数据显示山河智能(002097)新获得一项发明专利授权,专利名为“一种液压补油回路系统”,专利申请号为CN202210964396.6,授权日为2025年6月27日。
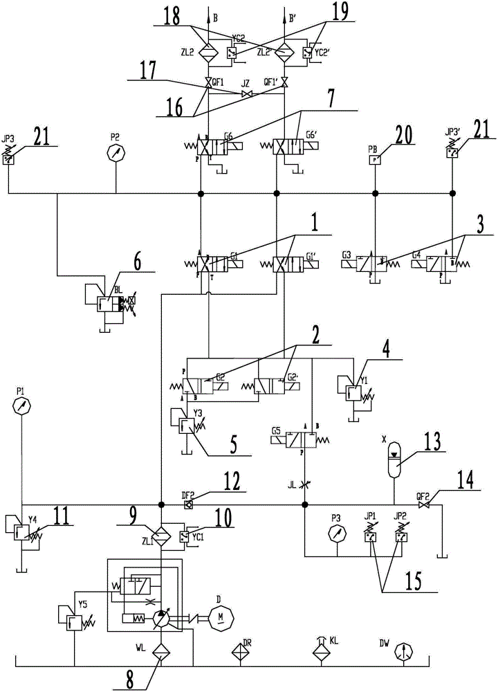
专利摘要:本发明公开了一种液压补油回路系统及其液压补油控制方法,涉及补油回路技术领域,液压补油回路系统包括:油箱、输送泵、多路阀、执行元件以及检测装置,油箱、输送泵、多路阀的进油口、检测装置、执行元件、多路阀的回油口、单向阀以及执行元件依次连通,还包括逻辑阀块;多路阀回油口、逻辑阀的第一进口、逻辑阀的第一出口以及油箱依次连通,回油口、逻辑阀的第二进口、逻辑阀的第二出口、控制阀以及油箱依次连通;逻辑阀以阀芯将其内部划分为第一腔体和第二腔体,第一进口和第一出口位于第一腔体,第二进口和第二出口位于第二腔体,第二腔体内设有用于驱动阀芯复位的弹性件。本系统可降低回油管路能量损失。

图片来源于网络,如有侵权,请联系删除
今年以来山河智能新获得专利授权46个,较去年同期增加了12.2%。结合公司2024年年报财务数据,2024年公司在研发方面投入了2.5亿元,同比减10.75%。

图片来源于网络,如有侵权,请联系删除
通过天眼查大数据分析,山河智能装备股份有限公司共对外投资了45家企业,参与招投标项目1369次;财产线索方面有商标信息120条,专利信息1315条,著作权信息116条;此外企业还拥有行政许可263个。
数据来源:天眼查APP
以上内容为证券之星据公开信息整理,由AI算法生成(网信算备310104345710301240019号),不构成投资建议。
