格力电器获得发明专利授权:“一种多联机空调系统及其控制方法”
作者:小微
发表于:2025年05月31日
浏览量:50047

图片来源于网络,如有侵权,请联系删除
证券之星消息,根据天眼查APP数据显示格力电器(000651)新获得一项发明专利授权,专利名为“一种多联机空调系统及其控制方法”,专利申请号为CN202110163710.6,授权日为2025年5月30日。
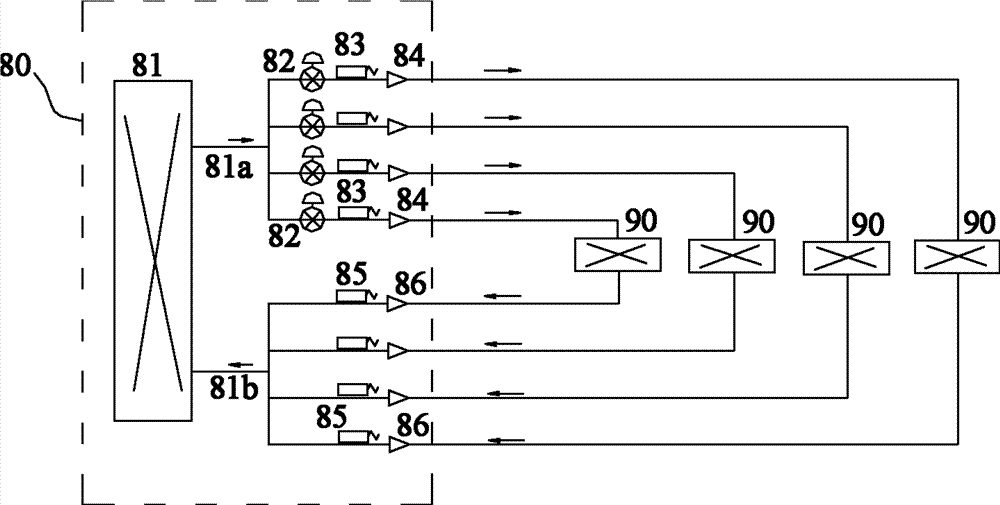
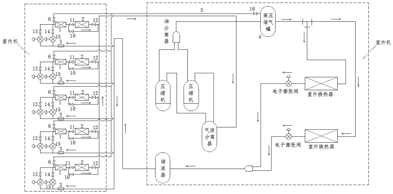
专利摘要:本公开提供一种多联机空调系统及其控制方法,包括:压缩机、室外换热器、第一气侧管、第二气侧管和液侧管,第一气侧管、第二气侧管和液侧管均分别连通在室内侧和室外侧之间,第一气侧管与压缩机的排气端连通;还包括室内机,蓄热模块,所述蓄热模块通过蓄热转换器连接设置在所述第一气侧管、所述第二气侧管和所述液侧管中的至少两个之间;恒温除湿内机,地暖模块,所述地暖模块通过地暖转换器连接设置在所述第一气侧管、所述第二气侧管和所述液侧管中的至少两个之间。根据本公开通过一套系统可以同时实现恒温除湿、蓄热化霜、空调需求、地暖需求的效果,解决用户不同的实际需求,各个模块可以根据实际需要选择接入系统或不接入系统。

图片来源于网络,如有侵权,请联系删除
今年以来格力电器新获得专利授权2430个,较去年同期减少了10.1%。结合公司2024年年报财务数据,2024年公司在研发方面投入了69.04亿元,同比增2.1%。
数据来源:天眼查APP
以上内容为证券之星据公开信息整理,由AI算法生成(网信算备310104345710301240019号),不构成投资建议。
