宝丰能源获得实用新型专利授权:“一种锅炉加药拌匀装置”
作者:小微
发表于:2025年05月06日
浏览量:51320

图片来源于网络,如有侵权,请联系删除
证券之星消息,根据天眼查APP数据显示宝丰能源(600989)新获得一项实用新型专利授权,专利名为“一种锅炉加药拌匀装置”,专利申请号为CN202421782042.0,授权日为2025年5月6日。
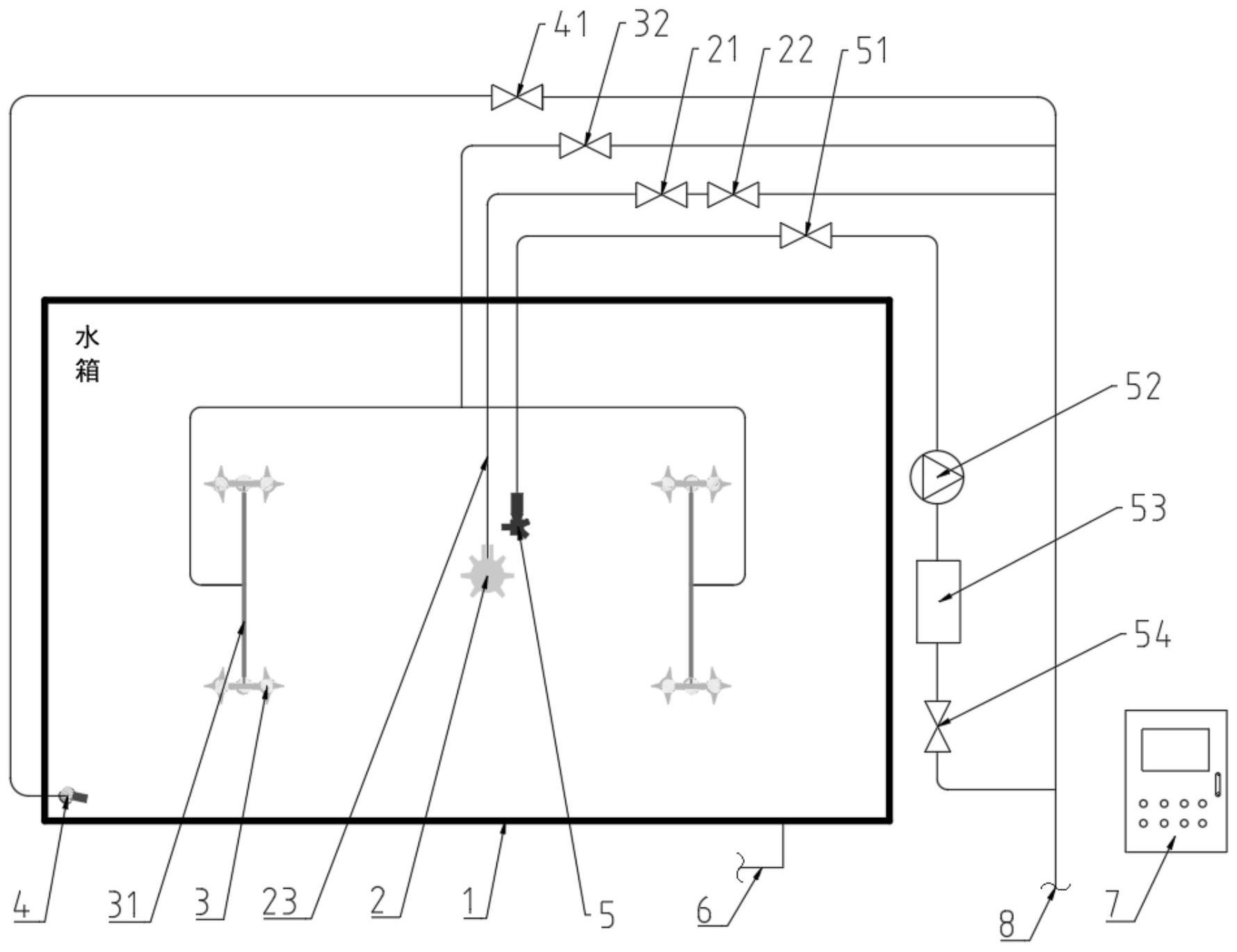
专利摘要:本实用新型提供一种锅炉加药拌匀装置,包括加药罐,所述加药罐的外壁设置有循环机构,所述循环机构包括第一安装阀,所述第一安装阀的一端固定连接有第一输送管,与现有技术相比,本实用新型具有如下的有益效果:通过循环机构进行加药罐的连接,在进行化学材料的加入时,能够在搅拌时,通过底部的连接管道,进行抽取,将加入的化学材料进行循环的抽取,形成二次循环搅拌,同时在加入不同的化学材料时,能够释放在其他加药罐内部储存,然后再次加入化学材料的搅拌,将加药罐混合完成后,将两个加药罐同时进行锅炉内部的材料输送,利于锅炉内部的保护膜形成,利于根据锅炉加药的具体操作进行调整加药量。

图片来源于网络,如有侵权,请联系删除
今年以来宝丰能源新获得专利授权46个,较去年同期增加了84%。结合公司2024年年报财务数据,2024年公司在研发方面投入了7.56亿元,同比增75.41%。
数据来源:天眼查APP
以上内容为证券之星据公开信息整理,由AI算法生成(网信算备310104345710301240019号),不构成投资建议。
